SKU: PBS-S-24B-36
36 Tooth 24B Simplex Pilot Bore Sprocket for 1-1/2 inch Pitch Chain
- Regular price
- $428.86 ex VAT
- Sale price
- $428.86
- Regular price
-
ex VAT
Not in stock
Quantity Price Breaks
5
$381.69
9
$360.24
19
$355.95
29
$351.67
49
$347.38
74
$343.09
99
$321.65
199
$317.36
249
$313.07
499
$308.78
999
$300.20
Description
|
Pilot Bore Double Simplex Sprockets: Small sprockets are usually manufactured from C45 Steel and the large sprockets maybe supplied in G22 Cast Iron. These Pilot Bore Double Simplex Sprockets allow the end-user to machine the bore to suit their own application. The bore would then require a key way to be broached and threaded holes made through the boss to secure the sprocket to the shaft. The nominal pilot bore is purely to permit tooling to be used to machine the bore to size and should not be taken as a shaft sized finish. Benefits: Universal on the shelf stock - can be machined to suit the application. Durable and Hard wearing. |
Technical
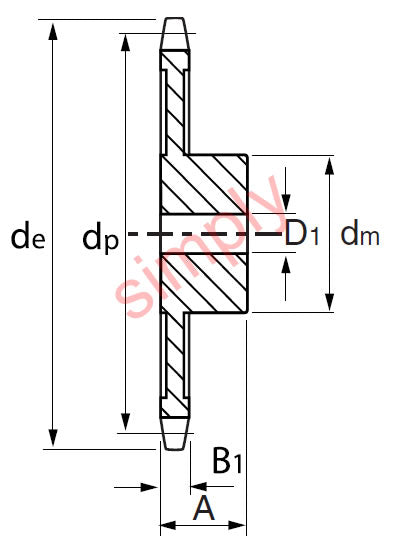
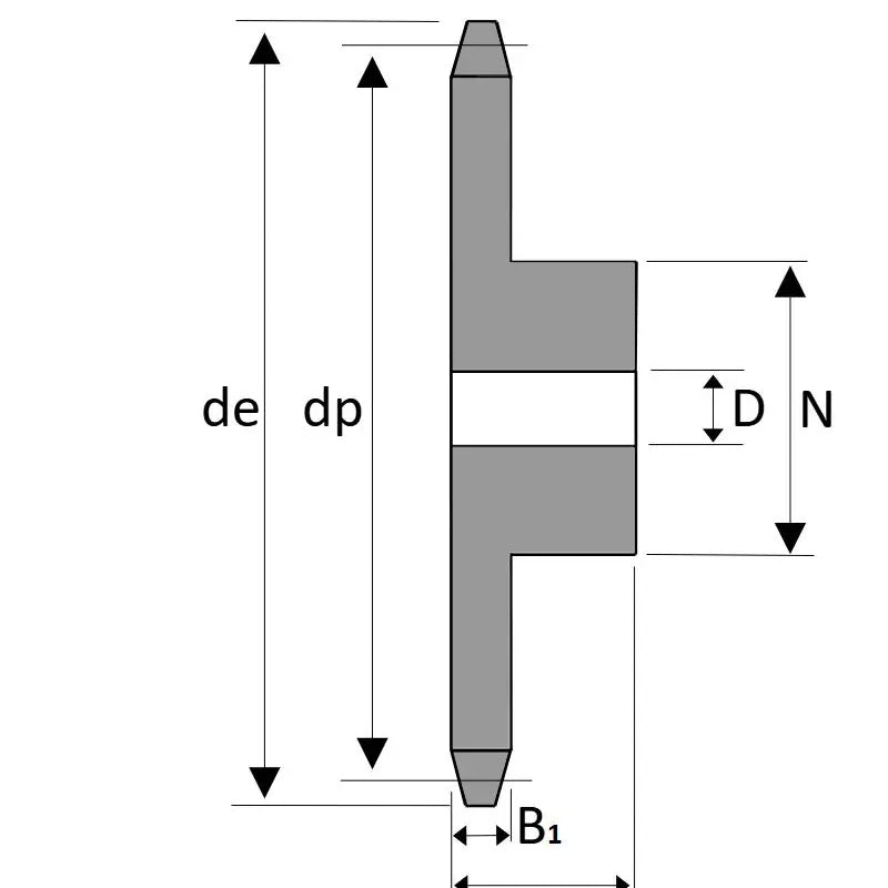
| Tooth Radius r3 | = | 38mm |
| Chamfer c | = | 4mm |
| Tooth Width b1 | = | 23.6mm |
| Tooth Width B1 | = | 24.1mm |
| Tooth Width B2 | = | 72mm |
| Tooth Width B3 | = | 120.3mm |
| Pitch | = | 38.1mm |
| Width Between Inner | = | 25.4mm |
| Roller Diameter | = | 25.4mm |
| No. of Teeth | = | 36 |
| Outer Diameter de | = | 452mm |
| Pitch Diameter dp | = | 437.16mm |
| Hub Diameter dm | = | 160mm |
| Length Through Bore A | = | 60mm |
| Stock Bore D1 | = | 30mm |
Downloads
Reviews